| 產品描述 | 技術參數 | 包裝參數 | 技術文檔 | |||||||
【產品名稱】TIRROLLER單側導向輪重物移運器 【產品品牌】日本TIRROLLER品牌 【產品規格】4T~200T 【產品保質】保質期12個月 【產品分類】重物移運器 【典型應用】大型機器、變壓器、集裝箱、核設備、橋梁掛籃、鍋爐汽包移運、鋼桁梁拖拉等以及路橋工程、移動變壓器、移動容器、拆橋作業、大型發動機移動臺車、大型建筑施工工程領域移運、安裝
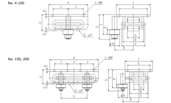
TIRROLLER單側導向輪重物移運器介紹
日本TIRROLLER 單側導向輪重物移運器為日本原裝進口產品,保質1年,我公司承諾凡是客戶在我公司定購的進口類產品均為原裝正品,絕不存在拆件貨,換件貨,假冒品牌產品,凡客戶從我公司定購日本TIRROLLER品牌產品如收到貨物時發現有拆件貨,換件貨,假冒、假貨仿貨均以100倍金額賠償。
●TIRROLLER單側導向輪重物移運器環形滾輪設計,整體高度較低,穩定性好; ●TIRROLLER單側導向輪重物移運器無需更換的循環導向輪,減少了工作工時,大大縮短了運輸時間; ●TIRROLLER單側導向輪重物移運器由于是單側導向輪,允許直線行駛,有效防止路線偏移。 溫馨提示: ●TIRROLLER單側導向輪重物移運器的運行速度保持在5M/min內,禁止超載使用!
TIRROLLER重物移運器案例圖 |
||||||||||
|
相關產品
|











