| 產品描述 | 技術參數 | 包裝參數 | 技術文檔 | ||||||
【產品名稱】LDA450多功能油桶翻轉車 【產品品牌】龍升品牌 【產品規格】450kg 【產品保質】保質期12個月
LDA450多功能油桶翻轉車介紹
龍升多功能油桶翻轉車屬于煙臺開發區龍海起重工具有限公司旗下品牌產品,產品保質周期為12個月(易損件除外),在產品保質周期內正常使用的情況下出現的質量問題,我公司可提供免費維修、免費更換配件、如因質量問題維修或更換配件仍然不能達到正常使用,可免費更換主機(產品附件以及易損件除外)由此產生的運輸,維修費用由我公司承擔。非質量問題我公司將收費處理,所產生的運輸、維修等費用由客戶承擔。 注意:不論產品出現上述那種問題,客戶需要提供清楚的故障視頻以及產品故障圖片,并說明使用方式。
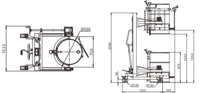
●LDA450多功能油桶翻轉車叼口式和抱箍式相結合,適合各種55加侖鋼制桶和200L閉口塑料桶的搬運、堆高、稱重于一身; ●LDA450多功能油桶翻轉車特殊軋制工藝制造的C型門架,堅固安全; ●LDA450多功能油桶翻轉車手搖180度旋轉,可以把桶保持在任何角度; ●LDA450-1多功能油桶翻轉車儀表可選配 ![]() |
|||||||||
|
相關產品
|










