| 產品描述 | 技術參數 | 包裝參數 | 技術文檔 | |||||
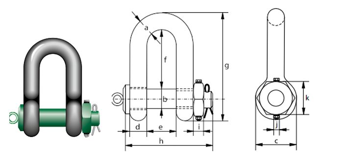
【產品名稱】P-6018荷蘭GreenPin重型D型卸扣 【產品品牌】荷蘭GreenPin品牌 【產品保質】保質1年 【產品規格】120噸 【產品認證】2.1 2.2 3.1 MTC a DNV GL 0378 CE ABS PDA ABS MA 【產品用途】重型D型卸扣常用于船舶、石油、機械、化工、電力、港口、礦山、建筑等各行各業。 【產品目錄】荷蘭GreenPin卸扣
P-6018荷蘭GreenPin重型D型卸扣介紹
●P-6018荷蘭GreenPin重型D型卸扣具有三重安全性:開口銷、安全螺栓和固定螺母,具備高承載力; ●P-6018荷蘭GreenPin重型D型卸扣弓和銷采用8級合金鋼材質,安全系數5倍; ●P-6018荷蘭GreenPin重型D型卸扣符合標準:ASME B30.26; ●P-6018荷蘭GreenPin重型D型卸扣表面采用熱浸鍍鋅處理,耐腐蝕,常用于港口碼頭等領域; |
||||||||
|
相關產品
|










